外围接单app,200块三小时服务,怎么找喝茶联系方式,同城空降快餐联系

三民重科-主营混凝土泵车,小型混凝土泵车,搅拌泵车、搅拌天泵技术领先!搅拌泵行业开拓者

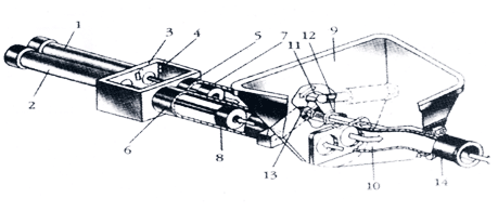
混凝土拖泵的构造是什么?它是如何完成泵送的?

泵送机构由两只主油缸、水箱、换向装置、两只混凝土缸、两只混凝土活塞、料斗、分配阀(又称S管)、摆臂、两只摆动油缸和出料口组成。


(1)(2)主油缸;(3)水箱; (4)换向装置;(5)(6)混凝土缸; (7)(8)混凝土活塞 ;(9)料斗;(10)分配阀 ;(11)摆臂; (12)(13)摆动油缸;(14)出料口


混凝土缸活塞(7、8)分别与主油缸(1、2)活塞杆连接,在主油缸液压油作用下,作往复运动时,一缸前进,则另一缸后退;混凝土缸出口与料斗连通,分配阀一端接出料口,另一端通过花键轴与摆臂联接,在摆动油缸作用下,可以左右摆动。


泵送混凝土料时,在主油缸作用下,混凝土活塞7前进,混凝土活塞8后退,同时在摆动油缸作用下,分配阀10与混凝土缸5连通,混凝土缸6与料斗连通。这样混凝土活塞8后退,便将料斗内的混凝土料吸入混凝土缸,混凝土活塞7前进,将混凝土缸内混凝土送入分配阀泵出。


当混凝土活塞(8)后退至行程终端时,触发水箱3中的换向装置4,主油缸1、2换向,同时摆动油缸12、13换向,使分配阀10与混凝土缸6连通,混凝土缸5与料斗连通,这时活塞7后退,8前进。如此循环,从而实现连续泵送。


A正泵状态


B反泵状态


反泵时,通过反泵操作,使处在吸入行程的混凝土缸与分配阀连通,处在推送行程的混凝土缸与料斗连通,从而将管路中的混凝土抽回料斗(如上图所示)。

? 2019    混凝土泵车_小型混凝土泵车_搅拌泵车_泵车价格-三民重科    版权所有    湘ICP备16020735号-1    技术支持:蒲公英长沙网站建设

友情链接:

0.2031s